GÓRNA CZĘŚĆ ZAWIASU OT 100 150 M8x50mm NIKLOWANA MATOWA
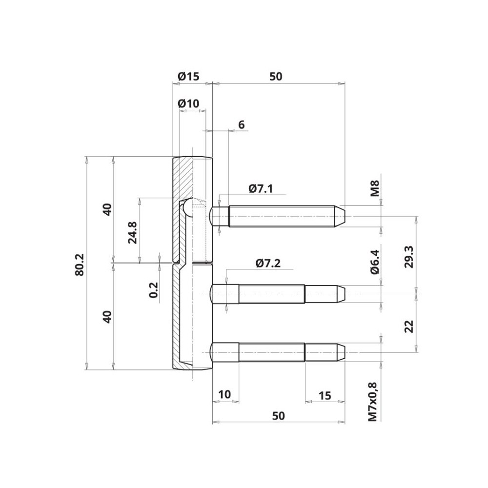
Górna część zawiasu OT 100 o średnicy 15 mm wyposażona w jeden trzpień o długości 50 mm. Dedykowana do zastosowania wraz z dolną częścią na drewnianych drzwiach przylgowych. Odpowiednia do drzwi o maksymalnej wadze 60 kg. Posiada wykończenie N4 - niklowane matowe.
Zobacz pełny opis| Producent: | Otlav |
| Seria: | OT 100 |
| Materiał | Stal |
| Wykończenie | N4 - niklowane matowe |
| Do drzwi | Wewnętrznych |
| Rodzaj zawiasu | Wkręcany |
| Średnica (mm) | 15 |
Górna część zawiasu w ilości zależnej od rodzaju opakowania.
Produkt wyprzedażowy.
Podana cena dotyczy wyłącznie towarów znajdujących się na magazynie.
Oferta obowiązuje do wyczerpania zapasów.
Opis produktu
Górna część zawiasu OT 100 o średnicy 15 mm została wyposażona w jeden trzpień o długości 50 mm i występuje w wykończeniu niklowanym matowym. Jest dedykowana do zastosowania wraz z dolną częścią na drzwiach przylgowych wykonanych z drewna.
Dobór - ilość zawiasów i ich rozmieszczenie na skrzydle
Poniższa tabela informuje o tym, ile zawiasów OT 100 o średnicy 15 mm należy zastosować na skrzydle o wadze do 60 kg w zależności od jego wysokości i szerokości.
.jpg)
Podczas montażu należy zwrócić uwagę na to, aby zachować odpowiedni rozstaw pomiędzy poszczególnymi zawiasami. Niezbędne jest też zamontowanie górnego i dolnego zawiasu w prawidłowej odległości od górnej oraz dolnej krawędzi skrzydła, w taki sposób, jak zostało to zaprezentowane na poniższej grafice.

Dokumenty techniczne
Producent zawiasu OTLAV opublikował dla tego modelu Deklarację Właściwości Użytkowych. Dodatkowo instytut T2i przeprowadził badania właściwości użytkowych zgodnie z wymogami zunifikowanej europejskiej normy UNI EN 1935:2002-05 według zasad systemu oceny numer 3, przygotował raporty klasyfikacyjne oraz wydał certyfikat badania.

Parametry techniczne
| Producent: | Otlav |
| Seria: | OT 100 |
| Materiał | Stal |
| Wykończenie | N4 - niklowane matowe |
| Do drzwi | Wewnętrznych |
| Rodzaj zawiasu | Wkręcany |
| Średnica (mm) | 15 |
| Ilość trzpieni | 1 |
| Nośność dla 2 zawiasów (kg) | 60 |
| Materiał drzwi | Drewniane, Metalowe |
| Materiał ościeżnicy | Drewniana |
| Rodzaj drzwi | Z przylgą |
| Montaż w kieszeni | Tak |
| Regulacja | Tak |
Warianty produktu
GÓRNA CZĘŚĆ ZAWIASU OT 100 150 M8x50mm NIKLOWANA MATOWA
GÓRNA CZĘŚĆ ZAWIASU OT 100 150 M8x50mm MOSIĄDZOWANA
GÓRNA CZĘŚĆ ZAWIASU OT 100 150 M8x50 LAKIEROWANA NA CZARNO
GÓRNA CZĘŚĆ ZAWIASU OT 100 150 M8x50 GALWANIZOWANA NA BIAŁO
Pliki do pobrania
Certyfikaty
Rozmiar pliku: 33 KB
Otlav to włoska marka posiadająca ponad 50 lat doświadczenia w projektowaniu oraz produkcji zawiasów do drzwi i okien. Jej oferta obejmuje zawiasy wpuszczane, wkręcane, przykręcane, przykręcano-wkręcane, a także przyrządy montażowe, nakładki, nasadki do zawiasów, stabilizatory skrzydła oraz inne akcesoria. Wzrost zainteresowania rozwiązaniami Otlav na przestrzeni ostatnich lat zapewnił firmie dynamiczny rozwój, dzięki czemu uzyskała ona wiodącą pozycję na rynku. Aby sprostać rosnącemu zapotrzebowaniu klientów i skrócić terminy dostaw, w zakładach Otlav wdrożony został całkowicie zautomatyzowany proces produkcji i magazynowania wyrobów gotowych. Obecnie Otlav eksportuje swoje produkty nie tylko do państw europejskich, ale także do kilkudziesięciu krajów położonych na innych kontynentach.