MODUŁ PODSTAWOWY MULTIBLINDO 92WB, E=40 mm, 2300x24x3 mm, STAL NIERDZEWNA
Moduł podstawowy zamka serii Multiblindo o rozstawie 92 mm i głębokości 40 mm. Oferuje najwyższą klasę zabezpieczenia antywłamaniowego.
Zobacz pełny opis| Producent: | ISEO |
| Seria: | Multiblindo Classic |
| Materiał: | Stal nierdzewna |
| Wykończenie: | Matowe |
| Do drzwi: | Antywłamaniowych |
| Materiał drzwi: | PCV |
| Materiał blachy czołowej: | Stal nierdzewna |
Zamek, cięgna do rygli, śruby montażowe, instrukcja.
Produkt wyprzedażowy.
Podana cena dotyczy wyłącznie towarów znajdujących się na magazynie.
Oferta obowiązuje do wyczerpania zapasów.
Opis produktu
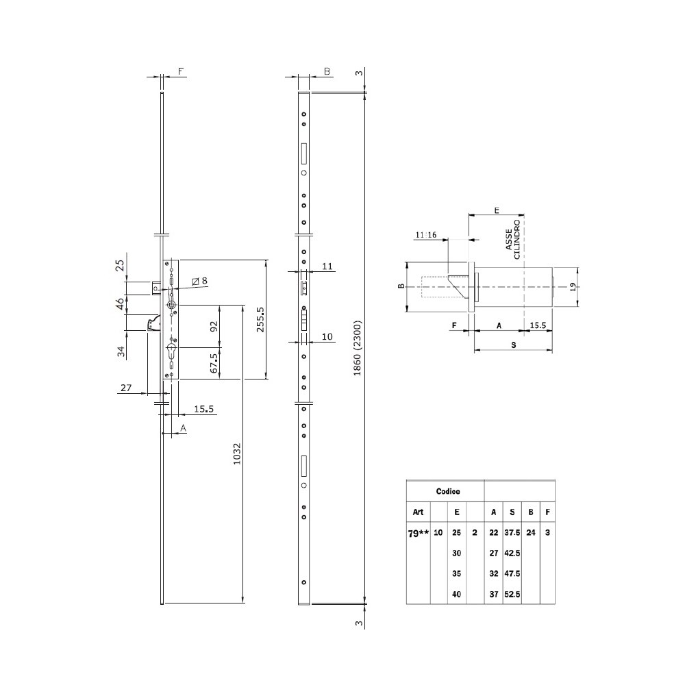
Przeciwwłamaniowy zamek wpuszczany na wkładkę bębenkową, posiadający rozstaw 92 mm oraz otwór na trzpień ⧄ 8 mm. Podstawowy moduł zamka został wyposażony w rygiel obrotowy z hartowanej stali, który wytrzymuje pionowy nacisk ciężaru ważącego ponad 1000 kg oraz jest odporny na przecinanie, wiercenie i próby wyłamania (rozwiązanie opatentowane przez ISEO).
Dobór
Model Multiblindo Classic jest przeznaczony do drewnianych i profilowych drzwi wewnętrznych oraz zewnętrznych o maksymalnym ciężarze do 200 kg oraz sile zamykającej do 15 N. Z racji zastosowanych zabezpieczeń jest rekomendowany do zastosowania w drzwiach przeciwwłamaniowych. Przy montażu należy ściśle przestrzegać instrukcji producenta oraz upewnić się że otwór pod zamek został dokładnie oczyszczony z wiórów po wierceniu. Zamka nie wolno oliwić czy używać jakichkolwiek smarów, ani malować blachy czołowej zamka. W przypadku użycia śrub mocujących klamkę lub szyldów ochronnych należy upewnić się, że nie uszkodzą one zamka.


Dokumenty techniczne
Multiblindo Classic oferuje najwyższą (7) klasę zabezpieczenia antywłamaniowego zgodnie z wymaganiami europejskiej pre-normy prEN 15685:2009. W połączeniu z wkładkami bębenkowymi ISEO stanowi najlepsze dostępne na rynku zabezpieczenie antywłamaniowe drzwi. Zamek posiada certyfikat Instytutu Badawczego ICIM, gdzie został przetestowany na zgodność z pre-normą prEN 15685:2009 i otrzymał najwyższe klasy w kategoriach: użytkowanie, trwałość i odporność na wiercenie. Dodatkowo posiada certyfikaty niemieckiego instytutu VdS. Trwałość zamka zbadano na 200 000 cykli pracy, gdzie jeden cykl zdefiniowany jest jako pełne otwarcie i zamknięcie zamka przy obciążeniu zapadki siłą 120 N. Po przeprowadzeniu testu zamek pozostał w pełni funkcjonalnym urządzeniem, zachowującym wszystkie, najwyższe parametry użytkowe. Oznacza to, że zamek może być stosowany w ciężkich warunkach eksploatacji, zwłaszcza w obiektach użyteczności publicznej, ale również w budynkach o mniejszym natężeniu ruchu. Zamek posiada najwyższą odporność na korozję (został przetestowany przez ponad 240 godzin w środowisku o wysokim stopniu zasolenia i nie wykazał żadnych zmian korozyjnych), a dodatkowo może pracować w temperaturze od -20°C do +80°C.
Parametry techniczne
| Producent: | ISEO |
| Seria: | Multiblindo Classic |
| Materiał: | Stal nierdzewna |
| Wykończenie: | Matowe |
| Do drzwi: | Antywłamaniowych |
| Materiał drzwi: | PCV |
| Materiał blachy czołowej: | Stal nierdzewna |
| Głębokość - dormas: | 40 mm |
| Rozstaw: | 92 mm |
| Rodzaj zaczepu: | Mechaniczny |
| Wysokość blachy czołowej: | 2300 mm |
| Szerokość blachy czołowej: | 24 mm |
| Grubość blachy czołowej: | 3 mm |
| Grubość kasety: | 19 mm |
| Kształt blachy czołowej: | Płaska |
| Otwór na trzpień: | Ø 8 mm |
| Sposób ryglowania: | Obrotowy |
| Wysuw rygla: | 27 mm |
| Klasa zabezpieczeń: | Klasa 7 |
Pliki do pobrania
Instrukcje montażu
Rozmiar pliku: 41 KB
Rozmiar pliku: 2 MB
Rozmiar pliku: 3 MB
ISEO to znany na całym świecie producent zamknięć ewakuacyjnych, wkładek bębenkowych, zamków drzwiowych, zamykaczy oraz urządzeń kontroli dostępu. Firma została założona ponad pięćdziesiąt lat temu we Włoszech. Początkowo koncentrowała swoją działalność na terenie Europy, ale pod koniec ubiegłego wieku rozpoczęła ekspansję na inne kontynenty. Obecnie posiada oddziały na Bliskim Wschodzie, w Malezji, Chinach, Republice Południowej Afryki, a także w Kolumbii i Peru.