MODUŁ PODSTAWOWY MULTIBLINDO 92WB, E=25 mm, 2300x24x3 mm, STAL NIERDZEWNA
Moduł podstawowy zamka serii Multiblindo o rozstawie 92 mm i głębokości 25 mm. Oferuje najwyższą klasę zabezpieczenia antywłamaniowego.
Zobacz pełny opis| Producent: | Iseo |
| Seria: | Multiblindo Classic |
| Materiał | Stal nierdzewna |
| Wykończenie | Matowe |
| Do drzwi | Antywłamaniowych |
| Materiał drzwi | PCV |
| Materiał blachy czołowej | Stal nierdzewna |
Zamek, cięgna do rygli, śruby montażowe, instrukcja.
Produkt wyprzedażowy.
Podana cena dotyczy wyłącznie towarów znajdujących się na magazynie.
Oferta obowiązuje do wyczerpania zapasów.
Opis produktu
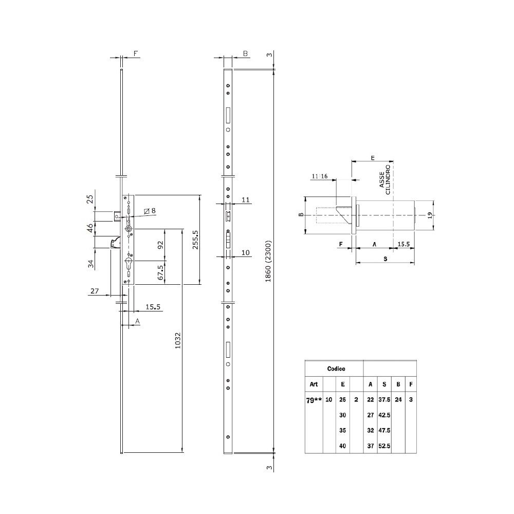
Przeciwwłamaniowy zamek wpuszczany na wkładkę bębenkową, posiadający rozstaw 92 mm oraz otwór na trzpień ⧄ 8 mm.
Najwyższa klasa zabezpieczenia antywłamaniowego
Multiblindo Classic oferuje najwyższą (7) klasę zabezpieczenia antywłamaniowego zgodnie z wymaganiami europejskiej pre-normy prEN 15685:2009. W połączeniu z wkładkami bębenkowymi ISEO stanowi najlepsze dostępne na rynku zabezpieczenie antywłamaniowe drzwi.
Rygiel obrotowy z hartowanej stali
Podstawowy moduł zamka został wyposażony w rygiel obrotowy z hartowanej stali, który wytrzymuje pionowy nacisk ciężaru ważącego ponad 1000 kg oraz jest odporny na przecinanie, wiercenie i próby wyłamania (rozwiązanie opatentowane przez ISEO).


Zastosowanie i dokumenty techniczne
Model Multiblindo Classic przeznaczony jest do drzwi wewnętrznych oraz zewnętrznych o maksymalnym ciężarze do 200 kg i sile zamykającej do 15 N. Zamek posiada certyfikat Instytutu Badawczego ICIM, gdzie został przetestowany na zgodność z pre-normą prEN 15685:2009 i otrzymał najwyższe klasy w kategoriach: użytkowanie, trwałość i odporność na wiercenie. Dodatkowo posiada certyfikaty niemieckiego instytutu VdS.
Wysoka trwałość i wytrzymałość
Trwałość zamka zbadano na 200 000 cykli pracy, gdzie jeden cykl zdefiniowany jest jako pełne otwarcie i zamknięcie zamka przy obciążeniu zapadki siłą 120 N. Po przeprowadzeniu testu zamek pozostał w pełni funkcjonalnym urządzeniem, zachowującym wszystkie, najwyższe parametry użytkowe. Oznacza to, że zamek może być stosowany w ciężkich warunkach eksploatacji, zwłaszcza w obiektach użyteczności publicznej, ale również w budynkach o mniejszym natężeniu ruchu.
Odporność na korozję
Zamek posiada najwyższą odporność na korozję (został przetestowany przez ponad 240 godzin w środowisku o wysokim stopniu zasolenia i nie wykazał żadnych zmian korozyjnych), a dodatkowo może pracować w temperaturze od -20°C do +80°C.
Parametry techniczne
| Producent: | Iseo |
| Seria: | Multiblindo Classic |
| Materiał | Stal nierdzewna |
| Wykończenie | Matowe |
| Do drzwi | Antywłamaniowych |
| Materiał drzwi | PCV |
| Materiał blachy czołowej | Stal nierdzewna |
| Głębokość - dormas (mm) | 25 |
| Rozstaw (mm) | 92 |
| Rodzaj zaczepu | Mechaniczny |
| Wysokość blachy czołowej (mm) | 2300 |
| Szerokość blachy czołowej (mm) | 24 |
| Grubość blachy czołowej (mm) | 3 |
| Grubość kasety (mm) | 19 |
| Kształt blachy czołowej | Płaska |
| Otwór na trzpień (mm) | Ø 8 |
| Sposób ryglowania | Obrotowy |
| Wysuw rygla (mm) | 27 |
| Klasa zabezpieczeń | Klasa 7 |
Pliki do pobrania
Instrukcje montażu
Rozmiar pliku: 41 KB
Rozmiar pliku: 2 MB
Rozmiar pliku: 3 MB
Certyfikaty
Rozmiar pliku: 1 MB
Rozmiar pliku: 366 KB
Rozmiar pliku: 212 KB
Rozmiar pliku: 211 KB
Firma ISEO powstała w 1969 roku i do dziś wypracowała sobie pozycję światowego lidera wśród producentów okuć budowlanych, zabezpieczeń i urządzeń kontroli dostępu. Jej produkty cechuje wysoka jakość, niezawodność oraz najwyższa klasa bezpieczeństwa. Początkowo ISEO koncentrowało swoją działalność na terenie Europy, ale pod koniec ubiegłego wieku rozpoczęło swoją ekspansję także na inne kontynenty. Obecnie posiada oddziały na Bliskim Wschodzie, w Malezji, Chinach, Republice Południowej Afryki, a także w Kolumbii i Peru.