Nowe modele zawiasów Koblenz
Marka Koblenz wprowadziła do oferty nowe zawiasy wpuszczane do drzwi drewnianych K1019 oraz K2460, które zastąpią wycofane z końcem roku modele K1000 oraz K2400.
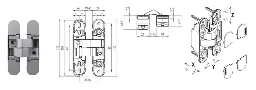
Zawiasy K1019 są całkowicie wymienne z zawiasami K1000 i są dedykowane do montażu w drzwiach bezprzylgowych zarówno lewych, jak i w prawych o minimalnej grubości skrzydła 32 mm. Nośność dwóch zawiasów wynosi 40 kg, a trzech zawiasów 52 kg.
Zawiasy posiadają stalowe korpusy i pięć osi obrotu, co zwiększa ich wytrzymałość oraz korzystnie wpływa na ich wieloletnią bezawaryjną pracę. Położenie zawiasów zamontowanych na skrzydle drzwiowym można regulować w trzech płaszczyznach: pionowej, poziomej oraz głębokości. W zestawie znajdują się śruby mocujące z płaskim łbem.
Do zawiasów dedykowany jest specjalny szablon montażowy oraz zestaw wytrzymałych stalowych nakładek. Standardowo model K1019 jest dostępny w wykończeniu chromowanym matowym. Występuje jednak także w kilku innych wariantach wykończenia, dostępnych na osobne zamówienie.

Zawiasy K2460 są całkowicie wymienne z zawiasami K2400 i są dedykowane do montażu w drzwiach z odwróconą przylgą zarówno lewych, jak i w prawych o minimalnej grubości skrzydła 25 mm. Nośność pary zawiasów wynosi 60 kg, a ich położenie można regulować w trzech płaszczyznach przy czym warto zaznaczyć, że w porównaniu z modelem K2400 uproszczona została regulacja w pionie i regulacja docisku.

Do zawiasów dedykowany jest identyczny szablon montażowy, jak ten stosowany do instalacji modelu K2400 oraz nowy zestaw stalowych nakładek. Standardowo model K2460 jest dostępny w wykończeniu chromowanym matowym. Na osobne zamówienie można również zamówić zawias w palecie wykończeń kolorystycznych Full HD.